Ceramic Lined Bend With Flange

带颈对焊法兰

带颈对焊法兰(Weld Neck Flange,简称 WN 法兰)是工业管道与设备连接中高压、高温场景下的核心法兰类型,因结构上带有一段与管道对接的 “颈部”(Neck),且通过 “对焊” 方式与管道固定而得名。其核心优势是连接强度高、抗振动和冲击能力强、密封稳定性好,广泛应用于石油化工、电力、核电等对连接可靠性要求极高的领域。

下载 PDF 进入淘宝

一、带颈对焊法兰的核心结构与特点

1. 关键结构组成(区别于其他法兰的核心)

2. 核心性能特点(为何适用于高压高温场景)

二、带颈对焊法兰的分类(按关键维度)

1. 按密封面类型(适配不同压力与介质)

不同密封面设计对应不同的密封效果,需根据工况选择:

2. 按材质(适配介质腐蚀性与温度)

材质需与管道材质、介质特性匹配,常见类型:

3. 按标准(全球主流标准差异)

不同国家 / 地区的标准规定了法兰的尺寸、压力等级、材质要求,选型时需与项目标准统一:
标准体系常用标准号关键参数表示方式适用区域 / 场景
国标(中国)GB/T 9112-2022公称通径 DN + 公称压力 PN国内工业项目(如市政、化工)
美标(美国)ASME B16.5(小口径)公称通径 NPS + 压力等级 Class出口项目、石油化工、核电

ASME B16.47(大口径)

欧标(欧盟)EN 1092-1公称通径 DN + 压力等级 PN欧洲及出口欧洲项目
日标(日本)JIS B2220公称通径 DN + 压力等级 JIS日本及日系企业项目

三、带颈对焊法兰的关键选型参数(必须匹配)

选型时需确保以下参数与管道、设备、工况完全一致,否则会导致连接失效或泄漏:
  1. 公称通径(DN/NPS):法兰的名义内径,需与管道的公称通径相同(如 DN100 管道对应 DN100 法兰,NPS 4 管道对应 NPS 4 法兰),确保介质顺畅流通。
  2. 压力等级(PN/Class):法兰能承受的最大工作压力(需结合温度修正),如 PN10 法兰对应 Class 150,PN16 对应 Class 300,需根据管道设计压力选择(通常法兰压力等级≥管道设计压力)。
  3. 材质:需与管道材质兼容(如 304 管道配 304 法兰),同时耐受介质腐蚀(如酸性介质选 316L,高温蒸汽选合金刚)。
  4. 密封面类型:根据压力、温度、介质泄漏风险选择(如超高压选 RJ 面,中压选 MFM 面,低压选 FF 面),且配对法兰的密封面需完全匹配(如凸面对凹面,不能凸面对平面)。
  5. 连接尺寸:螺栓孔数量、孔径、法兰外径、螺栓中心圆直径,需符合对应标准(如 GB/T 9112-2022 中 DN100 PN10 法兰,螺栓孔数量 8 个,孔径 18mm),确保螺栓、垫片能配套安装。

四、带颈对焊法兰的应用场景与注意事项

1. 典型应用领域

2. 安装与使用注意事项

五、带颈对焊法兰与带颈平焊法兰的核心区别(避免混淆)

实际选型中,带颈对焊法兰(WN)常与带颈平焊法兰(SO)混淆,二者核心差异如下:
对比维度带颈对焊法兰(WN)带颈平焊法兰(SO)
焊接方式颈部与管道 “对焊”(全熔透)法兰盘端面与管道 “平焊”(角焊缝)
结构强度高(颈部分散应力,焊缝强度高)中(角焊缝强度低于对焊,无应力分散)
适用压力温度高压高温(PN≥2.5MPa,T≥300℃)中低压常温(PN≤2.5MPa,T≤300℃)
流阻小(内壁平滑过渡)较大(法兰盘内径略大于管道内径,有台阶)
成本较高(材质用量多,加工复杂)较低(结构简单,加工成本低)
检测要求需无损检测(RT/UT)一般无需无损检测(除非特殊要求)

简言之,高压、高温、高振动或密封要求极高的场景选带颈对焊法兰,中低压、常温且对成本敏感的场景可选带颈平焊法兰

对焊法兰和长对焊法兰的区别

对焊法兰和长对焊法兰 (LWN) 在管道系统中具有不同的用途。虽然它们有一些相似之处,但它们在设计和应用方面的差异使每个都独一无二。

对焊法兰有两种形式(形状),一种是异径颈,我们称之为异径对焊法兰;一种具有均匀直径的典型长颈,称为长颈焊接法兰。

对焊法兰

凸面对焊法兰

异径对焊法兰

顾名思义,它就像异径管和法兰的组合,因此可以直接焊接到较小的管道上。

  • 设计:这些法兰具有短的锥形轮毂,可从法兰平稳过渡到管道。
  • 目的:它们提供强度并均匀分布应力,使其适用于高压系统。
  • 应用:常用于输送高压流体或气体的标准管道。
  • 识别:通过连接管道和法兰的短锥形轮毂来识别。

长对焊法兰

长对焊法兰

(LWN)

简化称为 LWN 法兰,颈部看起来像一根细长的管道并连接到法兰。因此,在大多数情况下,它可以用作立柱或桶的喷嘴。

  • 设计:这些法兰有一个加长的颈部,充当管道的延续,并且比标准对焊法兰的颈部法兰长。
  • 目的:提供额外的加固并促进精确的喷嘴放置或定制设备连接。
  • 应用:常用于压力容器、塔、换热器和高温/高压系统。
  • 识别:通过其延长的颈部长度轻松识别,专为特殊应用而设计。

您可以选择正常厚度的长对焊法兰或厚度更大、形状不同的重型 LWN 法兰。


主要区别

对焊法兰和长对焊法兰之间的选择取决于您项目的具体要求。对焊法兰非常适合一般管道,而长对焊法兰更适合定制、高压或高温应用。

NW 长对焊法兰

NW 长对焊法兰

对焊法兰通常称为高轮毂法兰。它旨在将应力传递到管道,从而减少法兰底部的高应力集中。

它与在高温或低温下工作并承受高压的管道兼容。特别适用于PN大于2.5Mpa时的管道或阀门。

面型

与其他法兰一样,它具有凸面 (RF) 型和环形接头 (RTJ)。

凸面对焊法兰

凸面对焊法兰

长对焊法兰

RTJ 对焊法兰


WN 法兰参考标准

材料标准

  • ASTM A105/N 用于碳钢对焊法兰
  • ASTM A182 F11、F22 用于合金钢
  • ASTM A182 F304 / F304L、F316 / F316L 用于不锈钢对焊法兰。

制造标准

  • ASME B16.5
  • ASME B16.47
  • 学士3293
  • DIN 2630 PN 1 和 PN 2.5、2631 PN 6、2632 PN 10、2634 PN 16、2634 PN 25、2635 PN 40

对焊法兰数据表

平面凸起的脸环形接头
ANSI 150WN 法兰 ANSI 150 FF(英寸)WN 法兰 ANSI 150 RF(英寸)WN 法兰 ANSI 150 RTJ(英寸)
安西300WN 法兰 ANSI 300 FF(英寸)WN 法兰 ANSI 300 RF(英寸)WN 法兰 ANSI 300 RTJ(英寸)
ANSI 400WN 法兰 ANSI 400 FF(英寸)WN 法兰 ANSI 400 RF(英寸)WN 法兰 ANSI 400 RTJ(英寸)
ANSI 600 标准WN 法兰 ANSI 600 FF(英寸)WN 法兰 ANSI 600 RF(英寸)WN 法兰 ANSI 600 RTJ(英寸)
ANSI 900WN 法兰 ANSI 900 FF(英寸)WN 法兰 ANSI 900 RF(英寸)WN 法兰 ANSI 900 RTJ(英寸)
安西 1500WN 法兰 ANSI 1500 FF(英寸)WN 法兰 ANSI 1500 RF(英寸)WN 法兰 ANSI 1500 RTJ(英寸)
ANSI 2500WN 法兰 ANSI 2500 FF(英寸)WN 法兰 ANSI 2500 RF(英寸)WN 法兰 ANSI 2500 RTJ(英寸)

我们在这个网站上的数据表如下所示。为简单起见,仅显示符合 B16.5 的数据表。ASME B16.5 涵盖 1/2“ 至 24” 的法兰尺寸。对于大于此的尺寸,请访问我们的法兰数据表页面。


对焊法兰的饰面类型

对焊法兰最常见的三种饰面类型是:

  • 凸起的脸(最常见)
  • 环形接头 (RTJ)
  • 平面

主要特点

  • 这是最常见的高压管法兰类型。
  • 它们与其他类型的管法兰的区别在于其长锥形轮毂和将它们连接到管道的对焊区域的厚度平缓过渡。
  • 长锥形轮毂在强度和抗碟形方面为对焊法兰提供了重要的加固。

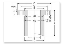
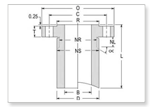
如何测量对焊法兰?

Weldneck flanges drawing

测量以下内容:
A:焊点
处的轮毂直径 B:对焊孔
C:厚度
Y:通过轮毂
的长度 O:外径
R:凸面
的外径 X:轮毂底部的直径


对焊法兰的用途

对焊法兰用于条件恶劣和关键的应用。其中一些条件包括高压、温度和压力波动大、高温、挥发性和危险的流体以及零度以下的温度。

  • 对焊法兰非常耐盘口,并且具有非常坚固的连接,因为它具有管道和锥形轮毂。
  • 法兰是极端温度波动的理想选择。
  • 它们非常适合法兰可能存在大量弯曲和处理的环境。
  • 在极端温度条件下的环境中首选。
  • 这种类型的法兰适用于各种恶劣的使用条件——由高压或零度以下或高温引起的。
  • 它们用于负载条件基本恒定或在宽限之间波动的情况。
  • 这可能是最好的焊接法兰,因为它的颈部又高又重。
  • 强烈推荐在需要良好焊接接头连接的地方使用。

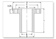
长对焊标准连接法兰

Long Weld Neck (LWN)

长对焊颈 (LWN)

长对焊颈 (LWN)

长对焊颈 (LWN)

Equal Barrel(E)

等桶(E)

Heavy Barrel(HB)

重型桶(HB)

Heavy Barrel(HB)

重型桶(HB)

Equal Barrel(E)

等桶(E)

法兰材料

材料

管法兰采用所有不同的材料制造,如不锈钢、铸铁、铝、黄铜、青铜、塑料等,但最常用的材料是锻造碳钢,并具有机加工表面。

法兰焊接到管道和设备喷嘴上。因此,它由以下材料制成;

  • 碳钢
  • 低合金钢
  • 不锈钢
  • 异国情调材料(短管)和其他背衬材料的组合

ASME B16.5 和 B16.47 涵盖了制造中使用的材料列表。

  • ASME B16.5 - 管法兰和法兰管件 NPS 1/2“ 至 24”
  • ASME B16.47 - 大直径钢法兰 NPS 26“ 至 60”

常用的锻造材料等级有

  • 碳钢: – ASTM A105、ASTM A350 LF1/2、ASTM A181
  • 合金钢: – ASTM A182F1 /F2 /F5 /F7 /F9 /F11 /F12 /F22
  • 不锈钢: – ASTM A182F6 /F304 /F304L /F316 /F316L/ F321/F347/F348

常用的astm牌号

材料配件法兰螺栓和螺母
碳钢A234 克 WPA答105A216 克 WCBA193 Gr B7
A194 Gr 2H
A234 克 WPB答105A216 克 WCB
A234 克木塑答105A216 克 WCB
碳钢
合金
高温
A234 Gr WP1A182 Gr F1A217 Gr WC1A193 Gr B7
A194 Gr 2H
A234 Gr WP11A182 Gr F11A217 GR型WC6
A234 Gr WP12A182 Gr F12A217 GR型WC6
A234 格 WP22A182 Gr F22A217 Gr WC9
A234 克 WP5A182 Gr F5A217 克 C5
A234 大 WP9A182 Gr F9A217 Gr C12
碳钢
合金低温
A420 Gr WPL6A350 Gr LF2A352 Gr LCBA320 Gr L7
A194 Gr 7
A420 大 WPL3A350 Gr LF3A352 Gr LC3
奥氏体不锈钢A403 Gr WP304A182 Gr F304A182 Gr F304A193 Gr B8
A194 Gr 8
A403 大 WP316A182 Gr F316A182 Gr F316
A403 格 WP321A182 Gr F321A182 Gr F321
A403 格 WP347A182 Gr F347A182 Gr F347

ASTM 标准定义了材料的具体制造工艺,并通过碳、镁、镍等允许量的百分比确定管道、管件和法兰的确切化学成分,并用“等级”表示。

法兰的常用材料包括不锈钢、碳钢、铝和塑料。材料的选择很大程度上取决于法兰的用途。例如,不锈钢更耐用,是大量使用所必需的。另一方面,塑料因其价格合理且易于安装而更适合在家中使用。法兰所用材料属于美国机械工程师协会的指定。


符合 ASTM 的法兰材料

管法兰(锻造牌号)最常见的材料是:ASTM A105(碳钢高温匹配 A53/A106/API 5L 管)、A350 牌号 LF1/2/3(碳钢低温匹配 A333 管)、A694 牌号 F42 至 F80(高屈服碳钢匹配 API 5L 管材牌号)、ASTM A182 牌号 F5 至 F91(合金钢法兰匹配 A335 管), A182 牌号 F304/316(不锈钢法兰与 A312 不锈钢管相匹配)、A182 Gr. F44/F51/F53/F55(双相和超级双相与 A790/A928 管相匹配)和各种镍合金牌号(铬镍铁合金、铬钴合金、哈氏合金、蒙乃尔合金)。

这些法兰的材料质量在 ASTM 标准中定义。


什么是 ASTM 等级?

例如,碳钢管可以识别为A级或B级,不锈钢管可以识别为TP304级或TP321级,碳钢管件可以识别为WPB级等。


标准

法兰的国标标准主要有《GB/T 9112~9124-2010 钢制管法兰》,该标准由中华人民共和国国家质量监督检验检疫总局和中国国家标准化管理委员会于 2011 年 1 月 10 日联合发布,从 2011 年 10 月 1 日起实施,是推荐性标准。
《GB/T 9112~9124-2010 钢制管法兰》一共包括了 13 项标准,具体如下:
  1. GB/T 9112-2010:钢制管法兰类型与参数;
  2. GB/T 9113-2010:整体钢制管法兰;
  3. GB/T 9114-2010:带颈螺纹钢制管法兰;
  4. GB/T 9115-2010:对焊钢制管法兰;
  5. GB/T 9116-2010:带颈平焊钢制管法兰;
  6. GB/T 9117-2010:带颈承插焊钢制管法兰;
  7. GB/T 9118-2010:对焊环带颈松套钢制管法兰;
  8. GB/T 9119-2010:板式平焊钢制管法兰;
  9. GB/T 9120-2010:对焊环板式松套钢制管法兰;
  10. GB/T 9121-2010:平焊环板式松套钢制管法兰;
  11. GB/T 9122-2010:翻边环板式松套钢制管法兰;
  12. GB/T 9123-2010:钢制管法兰盖;
  13. GB/T 9124-2010:钢制管法兰 技术条件。
此外,还有一些其他相关的国标标准,如GB/T 14383-2015《锻钢制承插焊和螺纹管件》、GB/T 13402-2013《大口径碳钢管法兰》等。

常见问题


关于法兰和法兰管件的最常见问题与法兰如何安装在特定的钢管和钢管端部有关。

法兰如何工作?

18.png

法兰具有垂直于其所连接的管道的平坦或齐平表面。连接过程涉及使用螺栓、粘合剂、套环或焊缝机械连接两个或多个面。由于连接要求,法兰必须适合其设计的设备或管道。这就是为什么有必要检查所有可能的规格和尺寸,以确定其尺寸、类型和材料是否正确。


法兰连接的三个部分是什么?

管法兰、垫圈和螺栓是构成法兰连接的三个部分。垫圈和螺栓通常由相同的法兰材料或经批准用于管道组件的材料制成。每个组件都有适合特定应用的各种材料,必须正确匹配才能正常运行。垫圈有两种常规类型:全面垫圈和环形垫圈。全罩式垫圈的螺栓孔可见,并与凸面垫圈配对。环形垫圈往往是较小的环,减去螺栓孔,并与平面法兰配对。固定法兰部件需要均匀且垂直地匹配表面,并根据需要进行调整以实现均匀配合。一旦所有表面都匹配,将法兰放在一起并固定至少两个螺栓。细化对齐方式,使剩余的螺栓孔匹配并紧固其相应的螺栓。


如何正确确定管道使用的法兰尺寸?

正确确定管道用法兰的尺寸不仅取决于法兰的类型,还取决于其兼容的管道。管道必须轻松安全地滑入法兰的内径,外径应覆盖墙孔。一旦确定了工作所需的特定法兰类型和材料,您将需要进行多次测量。您需要的四个测量值是内径、外径、螺栓孔数和螺栓孔中心。您需要将这些测量值中的每一个与相对的螺栓孔对齐,以获得最准确的读数。从边缘到边缘进行所有测量,并尝试尽可能精确以匹配正确的产品。将螺栓直径四舍五入到下一个半步或整步,因为螺栓的尺寸是半英寸或整英寸。完成所有四个测量值后,请根据制造商的表格检查它们以找到正确的法兰。大多数制造商在其网站上列出了这些规格,以便于参考。


法兰检测

在出厂前,每个法兰都经过检查以确保质量。在检查过程中,您必须检查以下内容;

  • 主体外径和内径
  • 螺栓圆和螺栓孔直径
  • 轮毂直径和焊端厚度
  • 轮毂长度
  • 螺栓孔的直线度和对齐度

ASME B16.5 和 B16.47 标准涵盖了允许的检查公差。


法兰材料标准

法兰用于连接各个行业的管道或其他设备部件,它们有多种材料和尺寸。法兰材料标准由标准制定组织制定,描述了可用于制造法兰的不同材料的特性和特性。常用法兰材料标准的一些示例包括:

  1. ASTM A105:本标准涵盖适用于高压应用的锻造碳钢管道部件,包括法兰。
  2. ASTM A182:本标准涵盖锻造或轧制合金钢管法兰、锻造管件以及用于高温使用的阀门和零件。
  3. ANSI B16.5:本标准规定了钢管法兰和法兰管件的尺寸、公差和标记。
  4. DIN 2632-2638:本标准定义了钢制成的法兰的尺寸和公差,包括碳钢、不锈钢和其他合金。
  5. ASME B16.47:本标准涵盖大直径钢法兰,通常用于需要更大孔径的高压应用。
  6. BS 4504:该英国标准涵盖用于管道、阀门和管件的圆形法兰,公称尺寸范围为 15 至 600 毫米。

法兰材料标准的选择将取决于多种因素,例如应用、环境、输送的流体和所需的性能特征。例如,高压应用可能需要由高强度和耐用性材料制成的法兰,而腐蚀性环境可能需要由具有良好耐腐蚀性的材料制成的法兰。


法兰连接

法兰连接

连接法兰的方法有很多种,包括螺纹、焊接或螺栓连接。螺纹法兰最适合低压或较小的管道,因为它可以保持其密封性。当您的管道较大或压力较高时,焊接法兰是优选的。锅炉房是可能使用焊接盲板法兰的地方之一,因为涉及高压。

法兰接头:法兰、螺栓、螺母和垫片

法兰是管道、阀门和其他流动装置末端的外肋,用于组装它们。

法兰尺寸符合特定标准:DIN、ANSI、AS、BS、JIS

法兰连接需要两个法兰(“主法兰”和“配套法兰”)、一组螺栓和螺母(其数量取决于法兰直径和等级)以及两个密封垫圈。法兰连接必须由经过培训的人员执行和监督,因为接头的质量对管道系统/管道的性能有关键影响(标准 TSE – TS EN 1591 第 1-4 部分,“法兰及其接头”,定义了执行正确法兰连接的许多要求)。虽然接头的所有元件都至关重要,但经验表明,大多数泄漏是由密封元件(即垫圈)安装不当引起的。

典型的管道与法兰连接是焊接或螺纹的。焊接法兰用于高压和高温、直径大于 2 英寸的管道和管道系统。

螺纹连接用于较小直径的安装,并且不会受到严重的机械力,例如膨胀、振动、收缩、振荡(会使螺纹接头破裂的力)。在所有这些关键情况下,建议使用对焊连接。

法兰的应用

应用

法兰是连接管道、阀门、泵等设备形成管道系统的方法。它还提供了易于清洁、检查或修改的通道。

当需要拆卸管道接头时,会使用法兰。这些主要用于设备、阀门和特种物品。在定期进行维护的某些管道中,以预定的时间间隔提供分管法兰。法兰、垫圈和螺栓连接构成法兰接头,由三个独立但相互连接的部件组成。为了实现防漏接头,在选择和应用所有这些元件时需要进行特殊控制。

以下是法兰的优点和应用的详细信息。

法兰的优点

管道、阀门、泵等部件通过法兰连接,形成管道系统。通常,法兰是焊接或拧在一起的。法兰的使用使管道系统的维护和维修变得轻而易举。可以仔细调查一小部分管道,使用法兰定位故障,而不是对整个管道进行检查。

以下是法兰的五个最重要的好处 以下是法兰的五个最重要的好处:

  • 在狭小空间内轻松组装,如果使用传统法兰接头,扳手可能没有间隙。扭矩适中,它们更容易组装在一起。
  • 在需要灵活性的难以到达的区域,可以移除软管管路、管道或管道中的适配器。
  • 具有高压、振动或冲击压力的管道连接、管道或大型软管连接件,可能更容易损坏传统的大型液压配件。
  • 在金属管或连续管道等刚性生产线中,进行连接便于维护。
  • 在要求苛刻的液压应用中,减少部件松动的机会。

法兰是连接管道、阀门、泵和其他设备形成管道系统的一种方法。它还为清洁、检查或修改提供了便利。法兰通常是焊接或螺钉的。

在许多应用中,工程师需要找到一种以非常安全的方式关闭腔室或气缸的方法,通常是因为内部的物质必须与外部的物质在成分或压力上不同。

他们通过在唇缘上用一圈螺栓将两块金属或其他材料固定在一起来做到这一点。这个“唇”是一个法兰。


管道

您可以通过将两段金属管道焊接或焊接在一起来连接它们,但以这种方式连接的管道在高压下很容易爆裂。更牢固地连接两段管道的一种方法是使用螺栓连接法兰端。这样,即使气体或液体在管道内积聚到高压,它通常也能毫无问题地保持。


力学

为了连接大型封闭区域的两部分,通常最好使用法兰和螺栓。这方面的一个例子是汽车中发动机和变速器之间的连接。在这种情况下,发动机和变速箱都包含许多运动部件,如果内部有灰尘或其他小物体,这些部件很容易损坏。通过以这种方式连接发动机和变速箱的外壳,工程师可以保护两者的内部工作原理。


电子学

法兰在相机和其他电子设备中具有特定用途。尽管此类物品中的法兰通常不必承受高压,但它们必须紧紧固定,以便防止有害颗粒进入。这些法兰通常连接两种不同的材料,例如镜头的玻璃和相机机身的其余部分。

交货

钢法兰必须采用适航包装方法包装,然后交付给客户,通常包装方式包括木箱、木托盘、钢铁笼、钢铁托盘等。

法兰.jpg

法兰标记

法兰标记受 ANSI ASME 规范约束。法兰标记包括;

  • 制造商标志
  • ASTM 材料代码
  • 材料等级
  • 服务额定值(压力-温度等级))
  • 大小
  • 厚度(明细表)
  • 加热编号
  • 特殊标记,如果有任何 QT(淬火和回火)或 W(焊接修复)

PMI-原材料检验

5.jpg
2.jpg
5.jpg

尺寸检查

ASME B16.5 和 B16.47 标准涵盖了允许的检查公差。

9.jpg
1.jpg
17.jpg
10.jpg
6.jpg
4.jpg


交货

对配件进行目视检查,以检查任何表面缺陷。检查管件主体和焊缝是否有任何可见的表面缺陷,例如凹痕、模痕、孔隙、底切等。根据适用标准进行验收。从仓库到您身边,我们既要速度更要靠谱!全程追踪物流、品质护货不马虎,每一次交付都较真 “说到做到”,让客户更快 更满意的拿到心仪货品

包装

对于带喷漆的碳钢法兰的包装,我们会使用气泡膜来保护喷漆。对于未喷漆或长期运输上油的法兰,我们建议客户使用防锈纸和塑料袋以防止生锈。后期我们会根据客户的要求和实际情况 细致包装 保证客户收到完整的产品

ASTM A213 T91 Alloy Tube

The ASTM A213 T91 seamless tubes are primarily used for boiler, superheater, and

Tubes Erosion Shields

Tubes Erosion Shields are used to protect boiler tubing from the highly erosive

Rare Earth Alloy Wear-Resistant Pipe

The material of the rare earth alloy wear-resistant pipe is ZG40CrMnMoNiSiRe, wh

Ceramic Tile Lined Pipes

Ceramic tile lined pipes have very uniform coating of specially formulated ceram

Cast Basalt Lined Steel Pipe

Cast basalt lined steel pipe is composed by lined with cast basalt pipe, outside

Ceramic Lined Pipe

Ceramic lined pipe is made through self-propagating high-temperature synthesis (

QQ在线咨询 微信
微信订阅号
阿里旺旺 mail

您应享的尊贵服务体验

我们的响应式服务确保时效,专业团队精准把握您的需求,以白手套级服务标准为您快速配齐所需材料。

世界级客户服务随时提供帮助应用

世界级客户服务随时提供帮助应用

符合工程规格确保顶级品质应用

符合工程规格确保顶级品质应用

生产或制造过程无延误应用

生产或制造过程无延误应用

准时交付且价格公道的材料应用

准时交付且价格公道的材料应用