管环
我们生产由板制成的管环,尺寸和公差符合 EN 1092-1 (Din 2642) 或搭接法兰符合 ASME B16.5。
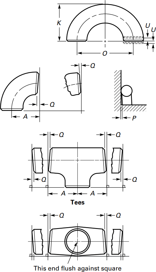
ASME B16.9 标准涵盖了尺寸为 NPS 1⁄2 至 NPS 48(DN 15 至 DN 1200)的工厂制造的锻造对焊管件的外形尺寸、公差、额定值、测试和标记。
| 名义 | 外径 | 90°弯头 | 45°弯头 | 180° 回归 | ||||
|---|---|---|---|---|---|---|---|---|
| 管道尺寸 | 长半径 | 短半径 | 长半径 | 长半径 | ||||
| (英寸) | (毫米) | (英寸) | 从中心到面 | 从中心到面 | 从中心到面 | 半径 | 中心到中心 | 回到脸 |
| (英寸) | (英寸) | (英寸) | (英寸) | (英寸) | (英寸) | |||
| 1/2 | 21.3 | 0.84 | 1.5 | – | 5/8 | 2 | 1.875 | |
| 3/4 | 26.7 | 1.05 | 1.125 | – | 7/16 | 2.25 | 1.6875 | |
| 1 | 33.4 | 1.315 | 1.5 | 1 | 7/8 | 3 | 2.1875 | |
| 1.25 | 42.2 | 1.66 | 1.875 | 1.25 | 1 | 3.75 | 2.75 | |
| 1.5 | 48.3 | 1.9 | 2.25 | 1.5 | 1.125 | 3 | 4.5 | 3.25 |
| 2 | 60.3 | 2.375 | 3 | 2 | 1.375 | 4 | 6 | 4.1875 |
| 2.5 | 73 | 2.875 | 3.75 | 2.5 | 1.75 | 5 | 7.5 | 5.1875 |
| 3 | 88.9 | 3.5 | 4.5 | 3 | 2 | 6 | 9 | 6.25 |
| 3.5 | 101.6 | 4 | 5.25 | 3.5 | 2.25 | 7 | 10.5 | 7.25 |
| 4 | 114.3 | 4.5 | 6 | 4 | 2.5 | 8 | 12 | 8.25 |
| 5 | 141.3 | 5.563 | 7.5 | 5 | 3.125 | 10 | 15 | 10.3125 |
| 6 | 168.3 | 6.625 | 9 | 6 | 3.75 | 12 | 18 | 12.3125 |
| 8 | 219.1 | 8.625 | 12 | 8 | 5 | 12 | 24 | 16.3125 |
| 10 | 273.1 | 10.75 | 15 | 10 | 6.25 | 15 | 30 | 20.375 |
| 12 | 323.9 | 12.75 | 18 | 12 | 7.5 | 18 | 36 | 24.375 |
| 标称管道尺寸 NPS | 角度公差 | 角度公差 |
|---|---|---|
| 大小 | 偏角 Q | 平面外 P |
| 1/2 至 4 | 0.03 | 0.06 |
| 5 至 8 | 0.06 | 0.12 |
| 10 至 12 | 0.09 | 0.19 |
| 14 至 16 | 0.09 | 0.25 |
| 18 至 24 岁 | 0.12 | 0.38 |
| 26 至 30 | 0.19 | 0.38 |
| 32 至 42 | 0.19 | 0.5 |
| 44 至 48 | 0.18 | 0.75 |
所有尺寸均以英寸为单位。除非另有说明,否则公差相等于正负。
ASME B16.9 管件可在 ASME 锅炉和压力容器规范 (BPVC) 以及 ASME 压力管道规范的管辖范围内使用。参考符合 ASME B16.5 的法兰压力等级,它们可以指定为 150、300、600、900、1500 和 2500 级。ASME B16.9 管件的允许压力等级可以根据 ASME B31 压力管道规范适用部分中规定的规则计算为等效材料的直无缝管。
根据 ASME B16.9 制造的对焊管件的设计应通过以下方法之一确定:(a) 压力容器或管道规范中包含的数学分析;(b) 验证测试;(c)通过水压试验进行实验应力分析,以验证实验结果;(d) 详细的应力分析及结果评估。
一般ASME B16.9管件应标明以下详细信息:“商标+材料等级+壁厚+尺寸+热号”。例如,“M ASTM A234 WP5 SCH80 6” 385“。使用钢印章时,应
注意标记不够深或不够锋利,以免造成裂纹或将管件的壁厚减少到允许的最小值以下。
ASME B16.9 管件可由多种材料制成,涵盖 (1) 符合 ASTM A234 和 ASTM A420 的碳钢和低合金钢;(2)符合ASTM A403和ASTM A815的奥氏体和双相不锈钢;(3)符合ASTM B366的镍合金;(4)符合ASTM B361的铝合金;(5) 符合 ASTM B363 的钛合金。

尺寸 1/2“ – 48”
在管道系统中,短端是用于连接不同材料和尺寸管道的关键部件。它提供了一种方便且经济高效的解决方案,无需焊接即可实现无泄漏接头。在本文中,我们将探讨短端的几何形状、类型和应用,阐明它们在各个行业和项目中的重要性。
| 不适用 | 输出直径 | 高(F) | 短端外径(G) | 斜角收音机(R) | ||||
|---|---|---|---|---|---|---|---|---|
| NPS的 | DN | 从 | 女士 | ANSI | 标称&最大值 | 标称&min | 最大值 | B 最大值 |
| 1/2 | 15 | 21.3 | 50.8 | 76.2 | 35 | 34 | 3 | 0.8 |
| 3/4 | 20 | 26.7 | 50.8 | 76.2 | 43 | 42 | 3 | 0.8 |
| 1 | 25 | 33.4 | 50.8 | 101.6 | 51 | 50 | 3 | 0.8 |
| 1 1/4 | 32 | 42.4 | 50.8 | 101.6 | 64 | 63 | 4.8 | 0.8 |
| 1 1/2 | 40 | 48.3 | 50.8 | 101.6 | 73 | 72 | 6.4 | 0.8 |
| 2 | 50 | 60.3 | 63.5 | 152.4 | 92 | 91 | 7.9 | 0.8 |
| 2 1/2 | 65 | 73 | 63.5 | 152.4 | 105 | 104 | 7.9 | 0.8 |
| 3 | 80 | 88.9 | 63.5 | 152.4 | 127 | 126 | 9.6 | 0.8 |
| 3 1/2 | 90 | 101.6 | 76.2 | 152.4 | 140 | 139 | 9.6 | 0.8 |
| 4 | 100 | 114.3 | 76.2 | 152.4 | 157 | 156 | 11.2 | 0.8 |
| 5 | 125 | 141.3 | 76.2 | 203.2 | 186 | 185 | 11.2 | 1.6 |
| 6 | 150 | 168.3 | 88.9 | 203.2 | 216 | 215 | 12.7 | 1.6 |
| 8 | 200 | 219.1 | 101.6 | 203.2 | 270 | 269 | 12.7 | 1.6 |
| 10 | 250 | 273.1 | 127 | 254 | 324 | 322 | 12.7 | 1.6 |
| 12 | 300 | 323.9 | 152.4 | 254 | 381 | 379 | 12.7 | 1.6 |
| 14 | 350 | 355.6 | 152.4 | 304.8 | 413 | 411 | 12.7 | 1.6 |
| 16 | 400 | 406.4 | 152.4 | 304.8 | 470 | 468 | 12.7 | 1.6 |
| 18 | 450 | 457.2 | 152.4 | 304.8 | 533 | 531 | 12.7 | 1.6 |
| 20 | 500 | 508 | 152.4 | 304.8 | 584 | 582 | 12.7 | 1.6 |
| 22 | 550 | 559 | 152.4 | 304.8 | 641 | 639 | 12.7 | 1.6 |
| 24 | 600 | 610 | 152.4 | 304.8 | 692 | 690 | 12.7 | 1.6 |
短管端,本质上是一根短长度的管道,其一端向外张开,另一端准备焊接到具有相同公称管道尺寸 (NPS)、材料和相似壁厚的管道上。搭接法兰,它是一种环形背衬法兰,其几何形状与滑套法兰非常相似。
短端是由两个部件组成的机械接头。
这种类型的法兰连接也称为“Van Stone”或“Vanstone 喇叭圈”,但这是一个历史术语,很少在技术或商业上使用。

对于带喷漆的碳钢法兰的包装,我们会使用气泡膜来保护喷漆。对于未喷漆或长期运输上油的法兰,我们建议客户使用防锈纸和塑料袋以防止生锈。
短端和搭接法兰可以按照以下过程组装:
它还可以与具有兼容螺栓尺寸的预制板法兰配合。

双相短端和双相搭接接头,您可以有双相短端和碳钢搭接法兰。
或者你可以有不锈钢短端和碳钢搭接法兰。还有其他双金属组合可以产生商业上更便宜的法兰组件。
近年来,双相/不锈钢和碳钢之间的价格差异已经缩小,这种做法在大型项目上变得不那么普遍,但成本差异始终存在(NPS 越高,管道/管道系统的长度越高,节省的成本就越高)。另一方面,单个部件(即对焊法兰)的仓储成本比搭接头和短端的仓储成本需要更少的货架空间。最终用户和承包商应考虑所有这些因素,确定使用短端的实际便利性,一般来说,商业优势仍然有效,并且可能适合某些情况,特别是在“棕地”改造中。
订购存根端时应提供以下信息:
短端可以订购不同的端部表面处理:
对配件进行目视检查,以检查任何表面缺陷。检查管件主体和焊缝是否有任何可见的表面缺陷,例如凹痕、模痕、孔隙、底切等。根据适用标准进行验收。从仓库到您身边,我们既要速度更要靠谱!全程追踪物流、品质护货不马虎,每一次交付都较真 “说到做到”,让客户更快 更满意的拿到心仪货品
对于带喷漆的碳钢法兰的包装,我们会使用气泡膜来保护喷漆。对于未喷漆或长期运输上油的法兰,我们建议客户使用防锈纸和塑料袋以防止生锈。后期我们会根据客户的要求和实际情况 细致包装 保证客户收到完整的产品
我们的响应式服务确保时效,专业团队精准把握您的需求,以白手套级服务标准为您快速配齐所需材料。