管环
我们生产由板制成的管环,尺寸和公差符合 EN 1092-1 (Din 2642) 或搭接法兰符合 ASME B16.5。




不锈钢等级 304L 确保出色的耐腐蚀性,延长短端在恶劣环境中的使用寿命。
A403 WPS304L 不锈钢短端采用搭接法兰设计,安装简单快捷,需要最少的对准。
A403 WPS304L不锈钢短端的耐腐蚀特性减少了频繁维护和更换的需要,从而节省了成本。
A403 WPS304L 不锈钢短端与多种管道材料兼容,为不同的管道系统提供多功能性。
A403 WPS304L 不锈钢短端是一种有价值的管件,以其耐腐蚀、高强度和易于安装而闻名。其性能和优势使其适用于各种行业,包括化学加工、食品饮料、水处理、石化和制药。在管道系统中创建防漏且可靠的接头时,A403 WPS304L不锈钢短端被证明是确保无缝流体流动和系统完整性的重要组件。
在管道系统中,短端是用于连接不同材料和尺寸管道的关键部件。它提供了一种方便且经济高效的解决方案,无需焊接即可实现无泄漏接头。在本文中,我们将探讨短端的几何形状、类型和应用,阐明它们在各个行业和项目中的重要性。
| 不适用 | 输出直径 | 高(F) | 短端外径(G) | 斜角收音机(R) | ||||
|---|---|---|---|---|---|---|---|---|
| NPS的 | DN | 从 | 女士 | ANSI | 标称&最大值 | 标称&min | 最大值 | B 最大值 |
| 1/2 | 15 | 21.3 | 50.8 | 76.2 | 35 | 34 | 3 | 0.8 |
| 3/4 | 20 | 26.7 | 50.8 | 76.2 | 43 | 42 | 3 | 0.8 |
| 1 | 25 | 33.4 | 50.8 | 101.6 | 51 | 50 | 3 | 0.8 |
| 1 1/4 | 32 | 42.4 | 50.8 | 101.6 | 64 | 63 | 4.8 | 0.8 |
| 1 1/2 | 40 | 48.3 | 50.8 | 101.6 | 73 | 72 | 6.4 | 0.8 |
| 2 | 50 | 60.3 | 63.5 | 152.4 | 92 | 91 | 7.9 | 0.8 |
| 2 1/2 | 65 | 73 | 63.5 | 152.4 | 105 | 104 | 7.9 | 0.8 |
| 3 | 80 | 88.9 | 63.5 | 152.4 | 127 | 126 | 9.6 | 0.8 |
| 3 1/2 | 90 | 101.6 | 76.2 | 152.4 | 140 | 139 | 9.6 | 0.8 |
| 4 | 100 | 114.3 | 76.2 | 152.4 | 157 | 156 | 11.2 | 0.8 |
| 5 | 125 | 141.3 | 76.2 | 203.2 | 186 | 185 | 11.2 | 1.6 |
| 6 | 150 | 168.3 | 88.9 | 203.2 | 216 | 215 | 12.7 | 1.6 |
| 8 | 200 | 219.1 | 101.6 | 203.2 | 270 | 269 | 12.7 | 1.6 |
| 10 | 250 | 273.1 | 127 | 254 | 324 | 322 | 12.7 | 1.6 |
| 12 | 300 | 323.9 | 152.4 | 254 | 381 | 379 | 12.7 | 1.6 |
| 14 | 350 | 355.6 | 152.4 | 304.8 | 413 | 411 | 12.7 | 1.6 |
| 16 | 400 | 406.4 | 152.4 | 304.8 | 470 | 468 | 12.7 | 1.6 |
| 18 | 450 | 457.2 | 152.4 | 304.8 | 533 | 531 | 12.7 | 1.6 |
| 20 | 500 | 508 | 152.4 | 304.8 | 584 | 582 | 12.7 | 1.6 |
| 22 | 550 | 559 | 152.4 | 304.8 | 641 | 639 | 12.7 | 1.6 |
| 24 | 600 | 610 | 152.4 | 304.8 | 692 | 690 | 12.7 | 1.6 |
短管端,本质上是一根短长度的管道,其一端向外扩口,另一端准备焊接到具有相同公称管道尺寸 (NPS)、材料和相似壁厚的管道上。搭接法兰,它是一个环形背衬法兰,它的几何形状与滑套法兰非常相似。
短端是由两个部件组成的机械接头。
这种类型的法兰连接也称为“Van Stone”或“Vanstone 喇叭圈”,但这是一个历史术语,很少在技术或商业上使用。

对于带油漆的碳钢法兰的包装,我们会使用气泡膜来保护油漆。对于未喷漆或长期运输上油的法兰,我们建议客户使用防锈纸和塑料袋以防止生锈。
短端和搭接法兰可以按照以下过程组装:
它还可以与具有兼容螺栓尺寸的预制板法兰配合。

双相短端和双相搭接接头,您可以有双相短端和碳钢搭接法兰。
或者您可以使用不锈钢短端和碳钢搭接法兰。还有其他双金属组合可以产生商业上更便宜的法兰组件。
近年来,双相/不锈钢和碳钢之间的价格差异已经缩小,这种做法在大型项目上变得不那么普遍,但成本差异始终存在(NPS 越高,管道/管道系统的长度越高,节省的越多)。另一方面,单个部件(即对焊法兰)的仓储成本比搭接头和短端的仓储成本需要更少的货架空间。最终用户和承包商应考虑所有这些因素,确定使用短端的实际便利性,并且通常商业优势仍然有效,并且可能适合某些情况,特别是在“棕地”改造中。
订购存根端时应提供以下信息:
短端可以订购不同的端部表面处理:
短端以三种不同的方式提供,A、B 和 C 型。A 型和 B 型短端类似于锻造配件,例如弯头和三通,C 型短端采用定制尺寸。

短端有三种不同的类型和两种标准长度。
“A”型:这种类型是为适合搭接法兰而生产和加工的。短端和搭接法兰的配合面具有匹配的轮廓和表面。A型短管端部搭接厚度为>=所连接管道的最小壁厚。短端和搭接法兰的外侧具有匹配的轮廓和表面。A型短管端部搭接厚度为>=所连接管道的最小壁厚。A 型的外角具有容纳搭接法兰的半径,而内角是方形的。
“B”型:这种类型的短端适用于用作搭接法兰的标准滑套法兰。B型短端的搭接厚度为>=连接管的最小WT。这些类型的短端的搭接通常具有锯齿状面。为确保紧密连接,需要在法兰的内径侧进行倒角。
“C”型:最后一种类型既可以与搭接法兰一起使用,也可以与滑套背衬法兰一起使用,并且由管道制成。C 型短端的搭接呈扩口状,搭接厚度为连接管 WT 的 75%。C 型具有较短的圆角外半径,能够容纳任何备用法兰。
“CS”型:这种类型与“C”类似,不同之处在于搭接面在制造过程中加工了同心锯齿。
管道系统中常用的短端主要有两种类型:
长花型和短花型短端均有多种材料可供选择,例如不锈钢、碳钢、合金钢等,使其适合不同的工业应用。它们为将管道连接到管道系统中的法兰提供了经济高效且可靠的解决方案。
ASME B16.9 – 对焊管件和 MSS-SP-43(JIS B2312、JIS B2313 也可能适用)涵盖了尺寸和制造公差。
短端有三种标准长度,MSS SP43 或 ANSI B16.9 短型和长型。短花型短端主要用于300级至600级及以上的法兰。除了这些标准类型外,最终用户和承包商还可以要求具有非标准长度的短端,以满足特定项目的要求。这当然需要额外付费。
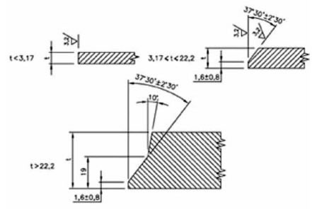
ASME B16.25 端焊坡口,如右
可以订购以下类型的端:
斜端(通常为 ASME B16.25)、
方端、
法兰端
、Victaulic 凹槽、
螺纹端(仅限外螺纹)
短端是各种工业应用中的重要部件,特别是管道系统。

使用短端有以下两个优点:
降低法兰接头的总体成本 一般来说,搭接法兰的牌号低于短端和管道的材料,从而节省了法兰接头所用高档材料的总重量。
降低法兰接头的总体成本
一般搭接法兰的牌号低于短端和管道的材质,从而节省了法兰接头所用高档材料的总重量。
例:
对于 SS316 管道,SS316 短端和碳钢搭接法兰的组合将完成完全相同的工作,而不是使用完整的 316 对焊法兰,但 SS316 材料的总重量会更低,成本也会更低。
从本质上讲,短端可以最大限度地减少不锈钢、双相和镍合金管道中高级材料的重量,从而节省成本。当然,法兰的直径越大,等级越大,节省的钱就越高!
商业优势是短端将被润湿,并且必须由符合管道工艺设计和使用条件的等级材料制成。然而,搭接法兰是不润湿的,只要满足管道系统的机械强度要求,就可以由较低等级的材料制成。
搭接的“松散”法兰概念在管道系统的现场安装中非常有益。如果要在现场配合两个线轴,则在引入短管螺栓和随附的螺母之前,在对齐螺栓孔时,有一个可以旋转的法兰非常有利。如果正隔离是工艺要求,则螺栓孔更容易定位和对齐,在必须经常拆卸的线轴时特别有用。
虽然短端在管道系统中具有许多优势,但也必须考虑其局限性。了解这些限制有助于工程师、设计师和操作员在为特定应用选择配件时做出明智的决策。让我们探讨一下与存根末端相关的一些主要限制:
短端,特别是用于搭接法兰连接的短端,与全焊接或螺纹替代品相比,通常具有较低的压力等级。这种限制使它们不适合高压应用。
短端通常由易于成型和焊接的材料制成,例如不锈钢和碳钢。然而,它们可能与某些材料不兼容,例如特殊合金或非金属材料。
在存在显着振动、运动或机械应力的应用中,短端可能无法提供与全焊接连接相同水平的可靠性。滑穿式设计可能会导致松动或断开连接。
与全焊接接头不同,短端依靠搭接法兰来获得连接强度。这意味着接头的完整性取决于法兰的质量和所用紧固件。
由于管端和法兰之间的间隙设计,存在泄漏风险,特别是在处理压力下的流体或气体时。接头可能需要额外的密封措施以防止泄漏。
用于短端的某些材料可能无法承受极高的温度,从而限制了它们在高温常见的行业中的应用。
与完全柔性接头相比,短管端可能会限制轴向管道运动和热膨胀。这可能会影响系统适应温度或压力变化的能力。
短端的有效性取决于搭接法兰的质量和紧固件的正确安装。法兰质量或安装的任何问题都可能损害接头的完整性。
对于安全且防漏连接至关重要的应用,例如涉及危险或有毒物质的应用,全焊接接头可能比短端更受欢迎。
与全焊接接头相比,短端可能更难检查和维护,因为由于滑套设计,对接头状况的目视评估可能会受到限制。
短端,特别是由某些材料制成的端,可能不适合在严重腐蚀或腐蚀性化学品暴露的环境中使用。
总之,虽然短端具有多种优点,但它们也具有特定的限制,在管道系统的选择和设计过程中需要仔细考虑。工程师和操作员应评估每种应用的具体要求,并评估使用短端的好处是否超过其局限性。通过做出明智的决策,各行业可以确保安全、可靠和高效的管道网络,以满足其运营环境的需求。

螺柱端和搭接法兰可以一起使用,作为进行法兰连接的替代方式,而不是对焊法兰。
使用螺柱端和搭接法兰提供了一种创建法兰连接的替代方法,这与对焊法兰不同。
涉及的组件是:
这种方法提供了灵活性和易于组装,使其成为传统对焊法兰的宝贵替代品。
由于管件涵盖了管件尺寸的几个方面,因此这里只能给出最常见的管件尺寸。应用最多的版本是 90° 长半径和 45° 弯头,而如果空间太小,则应用 90° 短半径弯头。180°弯头的功能是通过180°改变流动方向。LR 和 SR 类型的中心到中心尺寸都是匹配的 90° 弯头的两倍。这些配件通常用于毛皮或其他加热或冷却装置。
下面列出了一些适用于对焊配件的标准。许多组织,如 ASME、ASTM、ISO、MSS 等,都制定了非常完善的对焊管件标准和规范。设计人员始终有责任确保他们在设计过程中遵循适用的标准和公司规范(如果有)。
一些广泛使用的管件标准如下:
对配件进行目视检查,以检查任何表面缺陷。检查管件主体和焊缝是否有任何可见的表面缺陷,例如凹痕、模痕、孔隙、底切等。根据适用标准进行验收。从仓库到您身边,我们既要速度更要靠谱!全程追踪物流、品质护货不马虎,每一次交付都较真 “说到做到”,让客户更快 更满意的拿到心仪货品
对于带喷漆的碳钢法兰的包装,我们会使用气泡膜来保护喷漆。对于未喷漆或长期运输上油的法兰,我们建议客户使用防锈纸和塑料袋以防止生锈。后期我们会根据客户的要求和实际情况 细致包装 保证客户收到完整的产品
我们的响应式服务确保时效,专业团队精准把握您的需求,以白手套级服务标准为您快速配齐所需材料。